Головна
Про магазин
Доставка і оплата
Контакти
(068) 824-24-24
(098) 924-24-24
Зворотній дзвінок
Запчастини Makita
/ Запчастини для Макіта RBC411
Запчастини до інструменту Makita RBC411 - купити в Києві, Україні
На цій сторінці є вибрані запчастини. Додати їх до кошику?
Додати запчастини до кошику
Не додавати запчастини
Для замовлення запчастин Makita, выберіть необхідні деталі на схемі чи в таблиці і підтвердіть замовлення внизу сторінки.
1
2
3
4
Замовлення запчастин Макіта
Всього на суму:
0
грн.
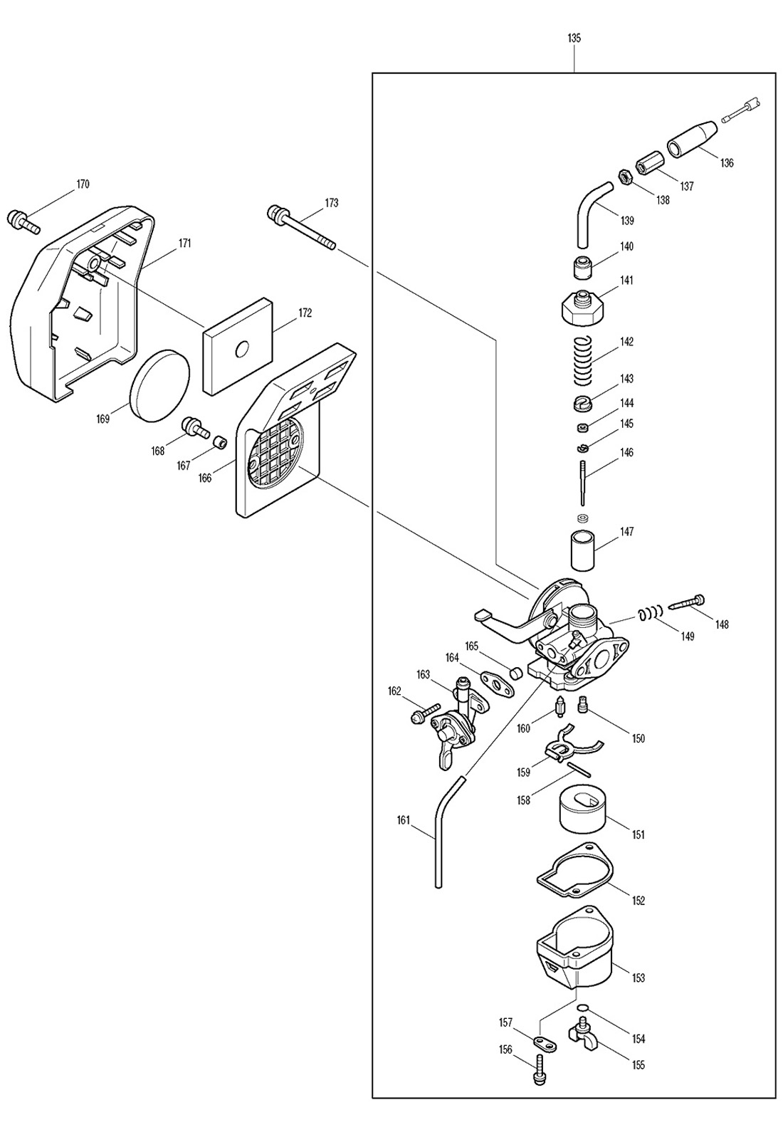
135
5416019001
CARBURETOR
под заказ
136
5416001010
CAP
под заказ
137
5306009310
ADJUSTER CABLE
под заказ
138
5306009460
NUT
под заказ
139
5416001030
CABLE GUIDE
под заказ
140
5306009250
CAP
под заказ
141
5306009260
MIXING CAP
под заказ
142
5306009240
SPRING
под заказ
143
5306009120
SPRING PLATE
под заказ
144
5416001040
PACKING
под заказ
145
5306009450
E-RING
под заказ
146
5416019010
JET NEEDLE
под заказ
147
5416008021
PISTON VALVE
под заказ
148
5416001060
Гвинт
под заказ
149
5416001110
SPRING
под заказ
150
5306018020
MAIN JET
под заказ
151
5306009020
FLOAT
под заказ
152
5306009220
Прокладка
под заказ
153
5306008010
FLOAT BODY
под заказ
154
5306002410
O RING
под заказ
155
5306002240
Гвинт
под заказ
156
5306009510
Гвинт
под заказ
157
5416016030
PLATE
под заказ
158
5306009160
STRAIGHT PIN
под заказ
159
5306009230
FLOAT ARM
под заказ
160
5306009150
NEEDLE ASS'Y
под заказ
161
5416016040
HOSE
под заказ
162
8046001530
Гвинт
под заказ
163
5416001020
COCK BODY ASS'Y
под заказ
164
5306009210
Прокладка
под заказ
165
5416001130
FILTER
под заказ
167
0230059990
Втулка
7 грн.
168
0043405140
Гвинт
под заказ
170
0043605200
Гвинт з шайбою
4 грн.
173
0043605580
Гвинт
под заказ
Товар додано до кошика
...
Зателефонуйте мені
Ім'я
Номер телефону
Коментар
Дякуємо
Ваш запит успішно надіслано.
Неправильний логін або пароль.