Головна
Про магазин
Доставка і оплата
Контакти
(068) 824-24-24
(098) 924-24-24
Зворотній дзвінок
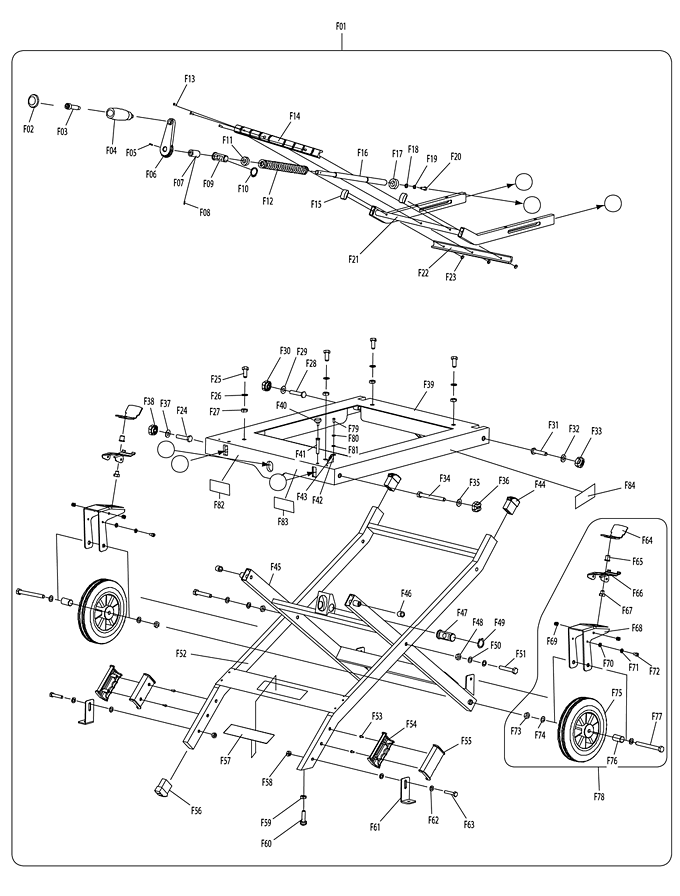
Запчастини Makita
/ Запчастини для Макіта MLT100
Запчастини до інструменту Makita MLT100 - купити в Києві, Україні
На цій сторінці є вибрані запчастини. Додати їх до кошику?
Додати запчастини до кошику
Не додавати запчастини
Для замовлення запчастин Makita, выберіть необхідні деталі на схемі чи в таблиці і підтвердіть замовлення внизу сторінки.
1
2
3
4
5
6
Замовлення запчастин Макіта
Всього на суму:
0
грн.
Товар додано до кошика
...
Зателефонуйте мені
Ім'я
Номер телефону
Коментар
Дякуємо
Ваш запит успішно надіслано.
Неправильний логін або пароль.