Головна
Про магазин
Доставка і оплата
Контакти
(068) 824-24-24
(098) 924-24-24
Зворотній дзвінок
Запчастини Makita
/ Запчастини для Макіта 800
Запчастини до інструменту Makita 800 - купити в Києві, Україні
На цій сторінці є вибрані запчастини. Додати їх до кошику?
Додати запчастини до кошику
Не додавати запчастини
Для замовлення запчастин Makita, выберіть необхідні деталі на схемі чи в таблиці і підтвердіть замовлення внизу сторінки.
Замовлення запчастин Макіта
Всього на суму:
0
грн.
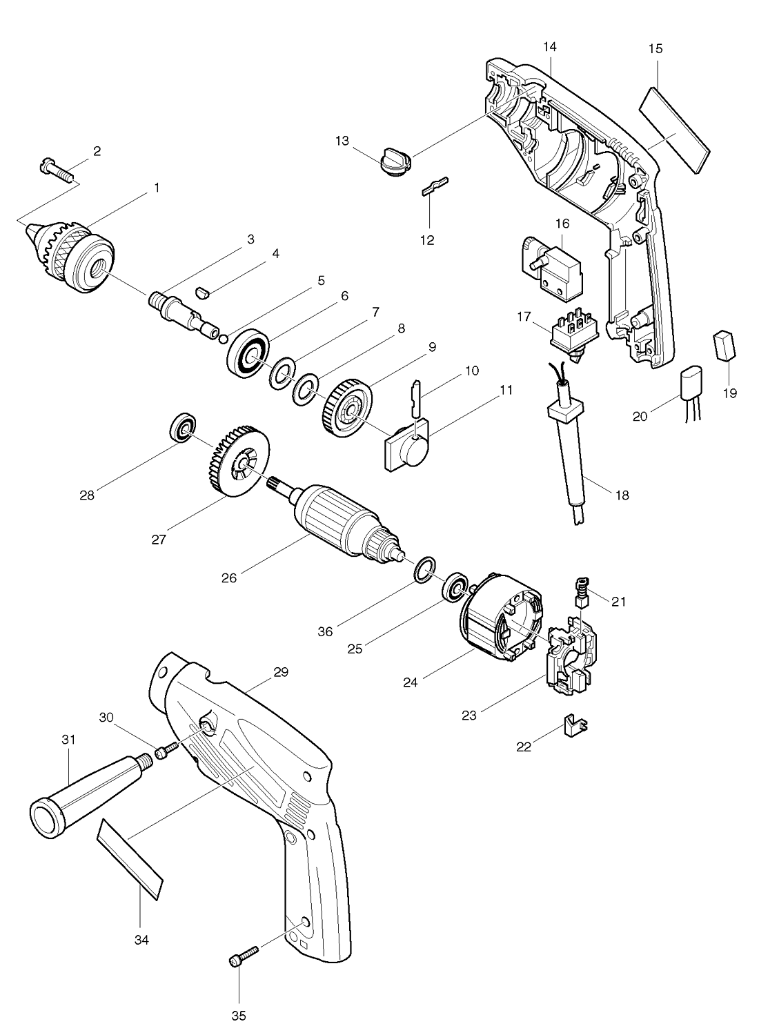
1
192877-8
Ключовий затискний патрон 2-13 мм
1593 грн.
2
251469-3
Гвинт M6х25, нова модель
39 грн.
3
322330-2
Шпиндель
999999 грн.
3
323788-8
Шпиндель
999999 грн.
4
254011-9
Шпонка 4
29 грн.
5
216002-8
Сталева кулька 4.8
20 грн.
6
211228-7
Шарикопідшипник 6202DDW
187 грн.
7
253070-0
Шайба 15
999999 грн.
8
253070-0
Шайба 15
999999 грн.
9
221663-1
Зубчасте колесо 62
999999 грн.
9
226495-1
Зубчасте колесо 62
999999 грн.
10
321111-1
Перемикаючий стержень
999999 грн.
11
153120-0
Прилад для випробувань при ударному навантаженні
999999 грн.
12
232053-3
Пласка пружина
999999 грн.
13
414564-2
Ручка
999999 грн.
14
182356-4
Комплект деталей корпуса двигуна
999999 грн.
16
651256-4
Вимикач SGEL106CV-1A нова модель
1272 грн.
17
651478-6
Вимикач VTX11
535 грн.
18
665383-1
Кабель живлення 1,0-2-2,0
421 грн.
19
685722-9
Піногума
20 грн.
20
645173-8
Шумоподавлювач
371 грн.
21
195015-1
Щітки, комплект CB-419
165 грн.
22
686016-5
Ковпачок клеми
999999 грн.
23
632083-8
Плита основи модель клемної коробки, компл. 5
432 грн.
24
633173-0
Статор 220V
999999 грн.
25
211023-5
Шарикопідшипник 607LB
162 грн.
26
511943-6
Якір у зборі 220V
999999 грн.
27
241844-1
FAN 52
под заказ
28
211031-6
Шарикопідшипник 608LLB
106 грн.
29
182356-4
Комплект деталей корпуса двигуна
999999 грн.
30
911143-2
Гвинт M4x22
20 грн.
31
273499-4
Бiчна ручка
96 грн.
32
818057-5
Етикетка
999999 грн.
33
421389-7
RUBBER RING
под заказ
34
819064-1
Етикетка MAKITA
60 грн.
35
911143-2
Гвинт M4x22
20 грн.
36
421389-7
RUBBER RING
под заказ
1001
763432-9
Торцевий ключ S13
94 грн.
1002
410102-8
Тримач торцевого ключа
25 грн.
5002
687052-4
Фіксуюча панель для кабеля
29 грн.
5004
911133-5
Гвинт M4X18
20 грн.
Товар додано до кошика
...
Зателефонуйте мені
Ім'я
Номер телефону
Коментар
Дякуємо
Ваш запит успішно надіслано.
Неправильний логін або пароль.